DTMF_DIALER|工具線上App不用買

シェア記事:

【免費工具App】DTMF_DIALER-APP點子

V2.0

【免費工具App】DTMF_DIALER-APP點子

03.05.2013

Изменил интерфейс для планшетов

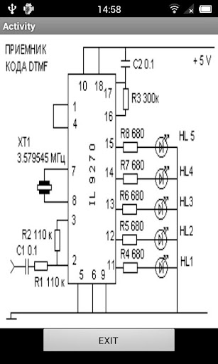
Генератор DTMF сигналов,с возможностью повторения введенных символов.Может использоваться в SIP телефонии и микроконтроллерных устройствах.При подключении к AUDIO выходу DTMF декодера ( по приведенной схеме) возможно управление внешними устройствами (свет,робот и т.д)Тестировалось на Samsung Galaxy S.

免費玩DTMF_DIALER APP玩免費

免費玩DTMF_DIALER App

DTMF_DIALER APP LOGO

DTMF_DIALER LOGO-APP點子

DTMF_DIALER APP QRCode

DTMF_DIALER QRCode-APP點子
熱門國家系統支援版本費用APP評分上架日期更新日期
未知Android
Google Play
v2.0
App下載
免費
1970-01-012015-04-21
シェア記事: